No products in the cart.
Повернутися в магазинNo products in the cart.
Повернутися в магазинTD-EVO – це нова серія низькопрофільних круглих канальних вентиляторів з діагональними лопатками. Оптимізована конструкція крильчатки, направляючого апарату і обтічника на виході повітря дозволяють збільшити продуктивність і знизити рівень шуму вентилятора. Вентилятори виготовляються з міцного високоякісного пластику. Унікальна конструкція корпусу і кронштейна дозволяє виробляти обслуговування вентилятора без демонтажу повітроводів.
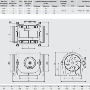
| Модель | TD EVO-100 |
|---|---|
| Призначення | В вентиляційний канал, В квартиру/будинок, В кухню |
| Колір | Білий |
| матеріал корп. | Високоякісний пластик звукоізолюючий матеріал |
| Країна виробник | Іспанія |
| Серія | TD EVO |
| Частота оборотів (об/хв) | 1960, 2170, 2450 |
| Макс. витяг повітря (м3/г) | 150, 170, 210 |
| Шарикові підшипники | так |
| Діаметр (ММ) | 100 |
| Регулятор швидкості | REB-1N, RMB-1,5 |
| Гарантія | 12 міс |
| Вага, КГ | 1,7 |
| Струм (А) | 0,1 |
| Споживна потужність, ВТ | 12, 13, 16 |
| Зворотній клапан | ні |
| Рівень шуму Дб(А) | 13, 16, 19 |
Вашій увазі пропонується, канальний витяжний вентилятор SOLER&PALAU TD EVO-100 іспанського виробника.
Асортимент серії TD EVO низькопрофільних прямоточних вентиляторів для повітроводів круглого перерізу містить у собі сім діаметрів і охоплює діапазон витрати від 210 до 1840 м³/год.
Унікальна конструкція опорного кронштейна дає змогу встановлювати або знімати двигун і крильчатку в зібраному вигляді без демонтажу прилеглого повітроводу. Низькопрофільний компактний корпус із міцного армованого пластику. Оптимізована конструкція крильчатки, напрямної лопатки та випускного дифузора для підвищення продуктивності та зниження рівня шуму.
Герметична конструкція з подвійним уприскуванням між основним корпусом і опорним кронштейном для запобігання витоку повітря. Гумові прокладки на фланцях для поліпшення герметичності каналів. Сайлент-блок між двигуном і напрямною лопаткою для зменшення вібрації двигуна та зниження рівня шуму під час установлення навіть у разі регулювання швидкості.
Двигун вентиляторів SOLER&PALAU TD EVO обладнаний тришвидкісним однофазним двигуном змінного струму:
Характеристики TD-EVO 100:
| Модель | TD EVO-100 |
|---|---|
| Призначення | В вентиляційний канал, В квартиру/будинок, В кухню |
| Колір | Білий |
| матеріал корп. | Високоякісний пластик звукоізолюючий матеріал |
| Країна виробник | Іспанія |
| Серія | TD EVO |
| Частота оборотів (об/хв) | 1960, 2170, 2450 |
| Макс. витяг повітря (м3/г) | 150, 170, 210 |
| Шарикові підшипники | так |
| Діаметр (ММ) | 100 |
| Регулятор швидкості | REB-1N, RMB-1,5 |
| Гарантія | 12 міс |
| Вага, КГ | 1,7 |
| Струм (А) | 0,1 |
| Споживна потужність, ВТ | 12, 13, 16 |
| Зворотній клапан | ні |
| Рівень шуму Дб(А) | 13, 16, 19 |
Щоб автоматично застосувати купон і купити товар, натисніть кнопку "Застосувати купон і додати в додати в кошик"
Як активувати промокод вручну: 1. Скопіюйте промокод. 2. Додайте товар у кошик і перейдіть до оформлення товару. У вікні оформлення під сумою замовлення ви побачите посилання «Ввести промокод». 3. Введіть промокод у полі, що з’явиться, і натисніть кнопку «Застосувати».Select at least 2 products
to compare
Reviews
There are no reviews yet.